產品說明
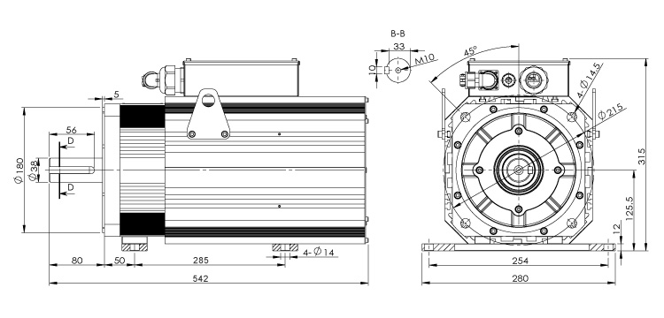
【電機型號】:ST18-08C20-***-*F*
【額定電壓 】:380 (V)
【額定轉矩】:87.5(Nm)
【額定轉速】:2000(rpm)
【額定頻率】:133.4(Hz)
【額定電流】:41.8(A)
【額定功率】:18.3(KW)
【Kt】:2.3(Nm/A)
【線反電勢】:292(V)
【線電感】:3.5(mH)
【線電阻】:0.25(Ω)
【轉動慣量】:11.2(mKg㎡)
【測試條件】: 1.電機水平安裝,環境為自由空氣,環境溫度為20℃。 2.典型值的誤差在±10%以內。
【額定轉矩】:87.5(Nm)
【額定轉速】:2000(rpm)
【額定頻率】:133.4(Hz)
【額定電流】:41.8(A)
【額定功率】:18.3(KW)
【Kt】:2.3(Nm/A)
【線反電勢】:292(V)
【線電感】:3.5(mH)
【線電阻】:0.25(Ω)
【轉動慣量】:11.2(mKg㎡)
【測試條件】: 1.電機水平安裝,環境為自由空氣,環境溫度為20℃。 2.典型值的誤差在±10%以內。




